常見問題
示波器探頭補償原理
探頭要做校準補償大伙兒或許都掌握,可是為何要做,最底層原因是什么,或許很多人就說不出來了,今日就和大伙兒共享一下子,希望能夠幫助大伙兒更好的理解示波器探頭。這一切,要從掌握探頭的補償原理開始:
示波器輸入電阻
示波器探頭沒法將電路信號送入示波器,咋一想,好像直接連起來就能用了吧。
可是大家使用萬用表測量示波器探頭兩端的電阻,竟然有接近9M歐姆這么多。
萬用表測量探頭X10檔兩端電阻
而大家看來示波器,心細的小伙伴們會發現在示波器的BNC輸入接口旁邊通常都標識有1MΩ的對地輸入電阻參數。很多人也許不理解這個是意味著了什么。

STO1104C示波器BNC輸入接口
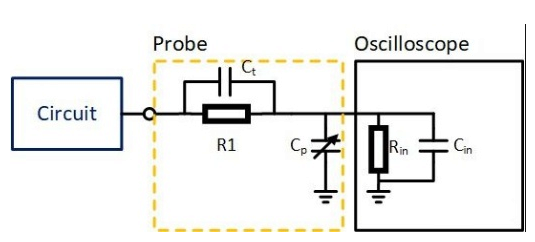
實際上,在使用示波器探頭測量電路的時候,由于不希望示波器探頭的接入而更改被測電路自身的運行狀態,因而示波器探頭相應是高阻的,即輸入阻抗比較大(兆歐級別)。而示波器是有相應的電壓輸入范圍的,可是不同的測量場合又會有不同的電壓,所以示波器探頭會有不同的衰減比(1X,10X,100X……)。那么最簡單的信號衰減實現便是電阻分壓,如下圖所示:

圖中,R1為示波器探頭上的電阻,Rin為示波器的輸入電阻。通常Rin=1MΩ,100X下為R1=99MΩ,10X下R1=9MΩ,而1X下理論上應該為0Ω,但實際上R1約為幾百歐,通常在300歐以內
示波器輸入電容
那么根據上面講解的電阻分壓電路是不是示波器就能用了呢?并不是的。
大家都掌握,實際中,一切電路都并不是理想化電路,多多少少都有寄生參數。示波器與示波器探頭的接口也不例外。由于示波器接口需要同時將信號與GND連接到示波器探頭上(如下圖所示,通常外圈的金屬是GND,能夠起到與外部屏蔽的作用,內部的金屬為輸入信號),因而,輸入的信號和GND之間就形成了電容。不管怎樣改善示波器接口的設計,都沒法消除示波器的輸入電容的寄生參數。
通常示波器的輸入電容典型值為15pF,14pF,12pF的都有,圖中所示為14pF。

有R又有C,這不便是RC低通濾波器嗎?

大家算下這個RC電路的截止頻率。考慮10X的檔位,R1=9MΩ,Rin=1MΩ,Cin=14pF,截止頻率為

如此一來,但凡高于12.64kHz的信號都被衰減到不能看了。那么如何解決這個問題?減小Cin,不可能,物理的限制就決定了 Cin 必然存在,而且14pF本身已經是一個相當小的容值了;減小 R1和 Rin?過小的電阻必然會對測量的電路造成影響。似乎沒有其他的辦法了。但總歸是有聰明人能夠找到解決辦法:補償電容

只要滿足

就能使得在比較高的頻率下,仍然能夠按照正確的10:1的衰減比進行信號的傳輸而不發生信號的畸變。
但是新的問題又來了,不同的示波器 Cin不一樣,即便型號一樣,但是由于制造的參數不一致問題可能不同的示波器用同一個探頭就不一定都能滿足上面的比例關系。那豈不是要針對每一個示波器都要去單獨制造特定的探頭呢?怎么解決通用性問題呢?很簡單,再增加一個可變電容。圖中 Cp所示。

這樣一來只需要去調節探頭上的可變電容的大小,并從示波器上看波形畸變情況,就可以解決這個問題。
示波器一般都會輸出一個1KHz,5V(或以下)的方波信號,該信號用作探頭補償校準。該信號常用一個方波符號加一個接地符號標示。我們可以將這個信號作為信號源。啟動示波器,按下圖所示,把探頭的BNC接至通道1,另一端接到方波信號輸出端口。

當出現以下兩種情況時,說明探頭補償不正確,需要使用“調節棒”對探頭上的補償電容進行調節。

補償過度的波形

補償不足的波形
用調節棒擰動探頭螺絲孔內的螺絲,調節補償電容,以得到正確波形。

也有的探頭將其設置在探測頭一端,如下圖:

所以,當示波器更換新探頭或探頭長時間未使用時,我們應該對探頭進行補償校準。

補償正確的波形
